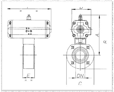
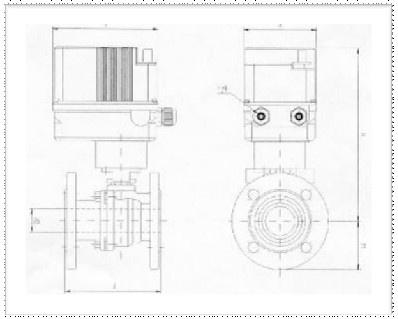
Краны шаровые управляемые - 2 02-004
Описание
тип 02-004
Напряжение 24 V, 110 V, 230 V
90° Положения ОТКРЫТО/ЗАКРЫТО
Кран шаровый с пневмоприводом
тип 02-004
Исполнение: двойного действия или
Исполнение: однократного действия
(Закрытие пружиной)
управляющее давление min. 6 bar до max. 8 bar
Технические характеристики
Похожие товары





