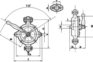
Помпа судовая ручная крыльчатая Рис.09-024
Описание
Помпа ручная крыльчатая DIN 5437 A
двойного действия, с рукояткой
Корпус - чугун
внутренние детали из латуни
внутренняя резьба в соотв. с ISO 228/1
рабочая температура до 80° С
спецификация материалов:
корпус: GG-20 0.6020
внутренние детали: латунь MS58 2.0380
шток: сталь ST 37
уплотнение: хлопок/PTFE
тип 09-024
|
DN |
G |
l/min |
D |
a |
b |
1 |
к |
P |
V |
о |
с |
d |
KG |
|
K-00 |
3/8" |
7,5 |
100 |
90 |
45 |
120 |
98 |
220 |
110 |
7 |
|
|
3,0 |
|
K-0 |
1/2" |
11,5 |
135 |
140 |
55 |
160 |
130 |
300 |
175 |
13 |
55 |
9,5 |
5,0 |
|
K-1 |
3/4" |
17,3 |
150 |
140 |
55 |
180 |
150 |
300 |
205 |
13 |
65 |
9,5 |
6,0 |
|
K-2 |
1" |
22,5 |
170 |
145 |
60 |
200 |
170 |
360 |
230 |
13 |
75 |
9,5 |
8,0 |
|
K-3 |
1 1/4" |
29 |
200 |
170 |
62 |
240 |
200 |
450 |
275 |
13 |
90 |
14 |
11 |
|
K-4 |
1 1/4" |
43 |
220 |
190 |
74 |
255 |
220 |
500 |
295 |
13 |
90 |
14 |
12 |
|
K-5 |
1 1/2" |
54 |
245 |
200 |
76 |
275 |
240 |
600 |
320 |
13 |
100 |
14 |
17 |
|
K-7 |
2" |
90 |
288 |
273 |
72 |
360 |
310 |
620 |
360 |
15 |
100 |
15 |
30 |
Технические характеристики
Похожие товары




