Соединение “MARPOL” Рис.09-004
Описание
Соединение по DIN 86285 - Marpol
Международное стандартное для выдачи
нефтеостатков с судов, PN 16
материал: Сталь ST 37.2
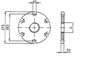
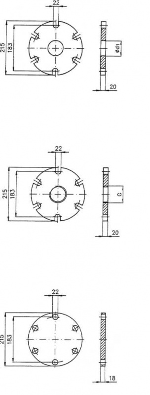
Тип 09-004-А - для соединения с трубой
DN 25 x труба 33,7 mm
DN 32 x труба 42,4 mm
DN 40 x труба 48,3 mm
DN 50 x труба 60,3 mm
DN 65 x труба 76,1mm
DN 80 x труба 88,9 mm
DN 100 x труба 114,3 mm
DN 125 x труба 139,7 mm
Тип 09-004-В - с внутренней резьбой
DN 40; G 1 1/2"
DN 50; G 2"
DN 65; G 2 1/2"
DN 80; G 3"
DN 100; G 4"
DN 125: G 5"
Тип 09-004-С - глухой фланец
Технические характеристики
Похожие товары




