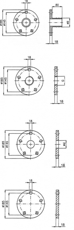
Фланец переходной для приема воды Рис.09-003
Описание
Фланец переходной; пригоден для подсоединения
Проводимые среды: вода морская, вода пресная.
к фланцам для приема воды по ISO 5620
материал: Сталь ST 37.2
Тип 09-003-А - под дюрит
DN 50 x шланг O52 mm
DN 65 x шланг O64 mm
DN 80 x шланг O75 mm
Тип 09-003-В - с внутренней резьбой
DN 50; G 2"
DN 65; G 2 1/2"
DN 80; G 3"
Тип 09-003-С - для соединения с трубой
DN 50 x труба O60,3 mm
DN 65 x труба O76,1 mm
DN 80 x труба O88,9 mm
Тип 09-003-D - глухой фланец
Технические характеристики
Похожие товары




