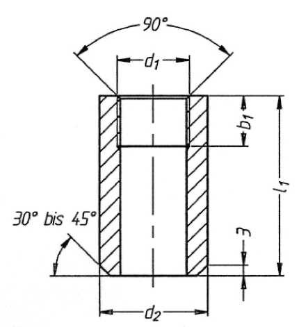
Штуцер (ниппель)под сварку Рис.09-015
Описание
Штуцер ( нипель) под сварку, PN 40
DIN 86103, Вариант В сталь
внутренняя резьба в соотв. с ISO 228/1
спецификация материалов:
корпус: сталь С 15
тип 09-015
|
d1 |
l1 |
b1 |
d2 |
KG |
|
1/4" |
20 |
12 |
20 |
0,05 |
|
3/8" |
20 |
12 |
25 |
0,09 |
|
1/2" |
25 |
14 |
30 |
0,12 |
|
3/4" |
25 |
16 |
38 |
0,22 |
|
1" |
25 |
18 |
45 |
0,31 |
|
1 1/4" |
30 |
20 |
57 |
0,56 |
|
1 1/2" |
30 |
22 |
62 |
0,82 |
Технические характеристики
Похожие товары




